Product Summary
The LA100-P is a Current Transducer. It is suitable for AC variable speed drives and servo motor drives, Static converters for DC motor drives, Battery supplied applications, Uninterruptible Power Supplies (UPS), Switched Mode Power Supplies (SMPS) and Power supplies for welding applications.
Parametrics
Absolute maximum ratings: (1)IPN, Primary nominal r.m.s. current: 100 A; (2)IP, Primary current, measuring range: 0 to ± 150 A; (3)ISN, Secondary nominal r.m.s. current: 50 mA; (4)K N, Conversion ratio: 1 : 2000; (5)VC, Supply voltage (± 5 %): ± 12 to 15 V; (6)IC, Current consumption: 10(@± 15 V)+ IS mA; (7)Vd, R.m.s. voltage for AC isolation test, 50 Hz, 1 mn: 2.5 kV.
Features
Features: (1)Closed loop (compensated) current transducer using the Hall effect; (2)Printed circuit board mounting; (3)Insulated plastic case recognized according to UL 94-V0.
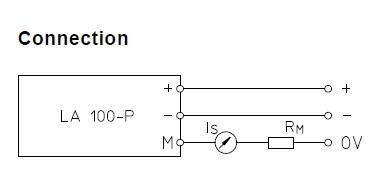
Diagrams

| Image | Part No | Mfg | Description | ![]() |
Pricing (USD) |
Quantity | ||||||||
|---|---|---|---|---|---|---|---|---|---|---|---|---|---|---|
![]() |
![]() LA100-P |
![]() Other |
![]() |
![]() Data Sheet |
![]() Negotiable |
|
||||||||
| Image | Part No | Mfg | Description | ![]() |
Pricing (USD) |
Quantity | ||||||||
![]() |
![]() LA100-P |
![]() Other |
![]() |
![]() Data Sheet |
![]() Negotiable |
|
||||||||
![]() |
![]() LA100P10004 |
![]() Littelfuse |
![]() Fuses 1000 VAC Semiconductor Fuses |
![]() Data Sheet |
![]()
|
|
||||||||
![]() |
![]() LA100P1004 |
![]() Littelfuse |
![]() Fuses 1000 VAC Semiconductor Fuses |
![]() Data Sheet |
![]()
|
|
||||||||
![]() |
![]() LA100P100-4 |
![]() Other |
![]() |
![]() Data Sheet |
![]() Negotiable |
|
||||||||
![]() |
![]() LA100P1004TI |
![]() Littelfuse |
![]() Fuses 1000 VAC Semiconductor Fuses |
![]() Data Sheet |
![]()
|
|
||||||||
![]() |
![]() LA100P100-4TI |
![]() Other |
![]() |
![]() Data Sheet |
![]() Negotiable |
|
||||||||
(China (Mainland))







